Tuning Cascade Control and Current Control PID Loops in a PMLSM model
Hi Everyone,
Require some guidance and pointers on model ee_pmlsm_drive please.
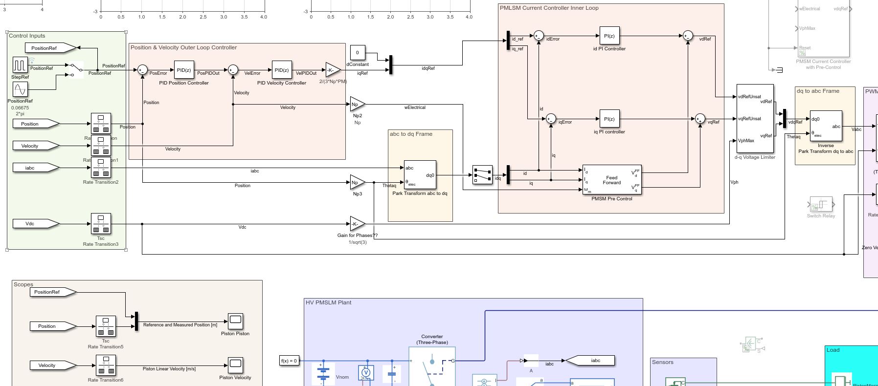
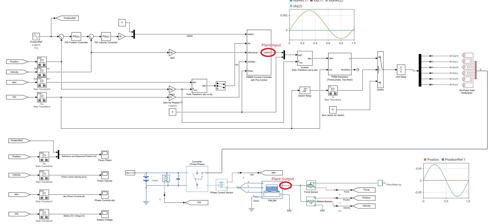
Its regarding a PMSM linear machine model, with a cascade (position and speed) outer loop and a current controller inner loop (Id and Iq currents).
The current Simulink model uses a low voltage DC supply (48v) and uses a step input to the system. My system uses a HV source (400v) and the input is sinusoidal position, with an operating frequency range of 0 to 20hz.
I have used the original model, re-created my own (to learn Simulink/Simscape) with a HV battery source (400v) and used machine parameters that match the application (peer reviewed publication).
As my power electronics background is limited, my background is mechanical, i am unable to tune the inner and outer loops, and am unsure in what order to tune. My project is to use the linear PMSM to drive (motoring) a linear piston for combustion and also use the linear piston to drive the PMSM (generating).
Using the built in PID tuner for the outer speed and position loops i am encountering an error (plant cannot be linearised). I am using a simple 1 hz sine wave to simulate the reference position set-point. With all PID values set to default i have no dq currents, however i have idq ref from the outer velocity controller loop.
Any help with resources and guidance as to how to tune the loops for my updated parameters on this model would be great.
17 Comments
Time DescendingThe error message about "model cannot be linearized" is expected in the example model. This is mainly because of the switching behaviors happening in the converter block. Because of the discontinuities in the switching signals, the exact linearization method used by the PID Tuner is not able to linearize the model.
To workaround this issue, you can identify the plant model (including the converter and the pmlsm) using either the frequency response estimation method or using I/O data. There are two examples about these workflows: https://www.mathworks.com/help/slcontrol/ug/design-controller-for-power-electronics-model-using-frequency-response-data.html https://www.mathworks.com/help/slcontrol/ug/design-controller-for-power-electronics-model-using-simulated-io-data.html
After identifying the plant model, you can use various linear control design methods to tune the cascaded controllers. Hope the information is helpful.
