You are now following this Submission
- You will see updates in your followed content feed
- You may receive emails, depending on your communication preferences
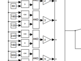
In SVPWM technique, Sectioor identification is heart block, and in this model sector identification is presented
Cite As
Dr. Siva Malla (2026). Sector Identification in Space Vector Modulation (https://au.mathworks.com/matlabcentral/fileexchange/39608-sector-identification-in-space-vector-modulation), MATLAB Central File Exchange. Retrieved .
General Information
- Version 1.0.0.0 (8.74 KB)
MATLAB Release Compatibility
- Compatible with any release
Platform Compatibility
- Windows
- macOS
- Linux
| Version | Published | Release Notes | Action |
|---|---|---|---|
| 1.0.0.0 |
