Technical Articles

Rapid Development and Simulation of an Aircraft Flutter-Detection System

By Cole Stephens, MathWorks


As any airline passenger who has experienced moderate turbulence knows, an aircraft is not a rigid structure. In certain circumstances, the complex interaction between the flexible structure and the aerodynamics can produce undesirable effects.  The phenomenon known as flutter, for example, can be extremely destructive to aircraft components such as wings and tails.

To identify the conditions that cause flutter and build in mechanisms to suppress it, many aircraft design teams use a combination of finite element analysis (FEA) and computational fluid dynamics (CFD). FEA helps them understand the structural properties of the aircraft, such as vibrational modes, natural frequencies, and deformation under load.  CFD enables them to predict aerodynamic force and moment characteristics of the structure at various speeds, angles of attack, sideslip, and atmospheric conditions. 

These analyses are often performed by multiple teams, while another team designs the suppression control systems for this complex, highly coupled multidomain system. Integrating multiple teams' tools and results is a slow, error-prone process that leaves little opportunity to rapidly iterate and simulate design configurations. 

In this article, we will use a single, integrated environment--MathWorks tools for Model-Based Design-- to model the structural dynamics, the aerodynamics, a flutter detection system, and a feedback control system to suppress flutter. We will validate the design using actual test data from the Benchmark Active Controls Technology (BACT) wing, tested in the NASA Langley Research Center’s transonic wind-tunnel as part of the center's Benchmark Models Program. 

The models and examples used in this article are available for download.

Modeling Structural Dynamics

An aircraft wing is an example of an aeroservoelastic system—it combines control system dynamics with aerodynamic, elastic, and inertial forces. The first task is to accurately describe the actual system with a representative model.  Our structural dynamics model includes a representation of the pitch and plunge apparatus (PAPA), which restricts the wing's motion to pitching (rotational movement) and plunging (vertical movement) (Figure 1).  

aircraft_flutter_fig1_w.gif
Figure 1. Actual system and structural representation of the BACT wing and PAPA mount. Click on image to see enlarged view.

Using Simulink® and SimMechanics™, we model this multibody system directly by connecting SimMechanics blocks for bodies, joints, and constraints (Figure 2).  We then simulate the system and analyze its mechanical motion. We could obtain the analysis results through a first-principles analysis, but deriving, verifying, and solving a set of differential equations to represent this structure can take a significant amount of time. 

aircraft_flutter_fig2_w.gif
Figure 2: SimMechanics™ model of the BACT wing and PAPA mount. Click on image to see enlarged view.

To validate the structural dynamics of the system, we run a simulation that includes a small perturbation of the pitch and plunge degrees of freedom.  Figure 3 shows the pitch and plunge frequency response characteristics of the model in vacuo—that is, with no aerodynamic forces.  In the presence of aerodynamic forces, these two frequencies coalesce and lead to mechanical resonance and flutter.

aircraft_flutter_fig3_w.gif
Figure 3. The in-vacuo frequency response of the BACT wing and PAPA mount.

We validate the structural model by comparing simulation results with measured results from the BACT wing. The simulation shows plunge and pitch frequencies at 3.40 Hz (21.36 rad/sec) and 5.20 Hz (32.67 rad/sec), respectively.  These values are very close to the documented in vacuo plunge and pitch frequencies for the actual system: 21.01 rad/sec and 32.72 rad/sec.

Modeling the Aerodynamics

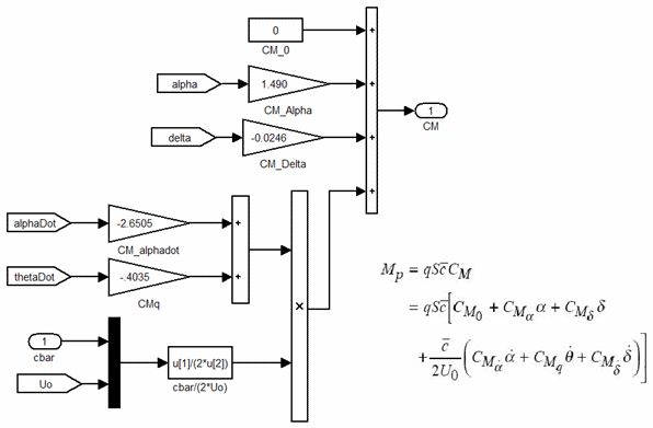
After validating the in-vacuo behavior of the system, we add a quasi-steady aerodynamic model to predict the lift and moment characteristics of the system.  Figures 4a and 4b show the Simulink models corresponding to the equations used to calculate lift and moment coefficients.   

aircraft_flutter_fig4a_w.gif
Figure 4a. Lift coefficient block diagram. Click on image to see enlarged view.
aircraft_flutter_fig4b_w.gif
Figure 4b. Moment coefficient block diagram. Click on image to see enlarged view.

In addition to these coefficients, calculations for lift and moment require geometric information from the wing, its planform area, and mean aerodynamic chord, as well as operating conditions (the altitude and Mach number), used to calculate the dynamic pressure.  The planform area and aerodynamic chord for the BACT wing are easily determined constants.  The dynamic pressure is a function of Mach number and air density at altitude. 

Using the pressure-altitude model from the COESA Atmosphere Model block in Aerospace Blockset™, we create a simple model to calculate aerodynamic forces from Mach number and altitude (Figure 5).  Figure 6 shows how lift and moment for the BACT wing are calculated for any given Mach number and altitude.  In the complete system model, the outputs of this model are connected to the aerodynamic forces input of the structural model shown in Figure 2.

aircraft_flutter_fig5_w.jpg
Figure 5. Calculation of dynamic pressure. Click on image to see enlarged view.
aircraft_flutter_fig6_w.gif
Figure 6. Aerodynamic force calculation. Click on image to see enlarged view.

Developing an Automatic Flutter Detection System

Using Simulink, we combine the aerodynamic and structural models and run open-loop simulations of the coupled system.  Figure 7 shows sample output from the simulation for a borderline flutter condition.  The plots show the wing’s plunge and pitch over time.  In a non-flutter condition, disturbances in plunge and pitch gradually diminish.  At the flutter point, the initial disturbance becomes amplified, making the entire system unstable.

aircraft_flutter_fig7_w.jpg
Figure 7. Representative simulation output near the flutter boundary.
aircraft_flutter_fig8_w.gif

Figure 8. Flutter detection logic modeled in Stateflow®

Inputs into this chart are the wing's pitch angle and its derivative, which come from the Simulink model.  The output from the chart is the number of times the wing's pitching amplitude has increased in value.  When our Simulink model detects a sufficient number of increases in amplitude—say 10—the system can be considered unstable.

After incorporating this automated mechanism for detecting flutter in simulations, we use a MATLAB® script to run simulations for a range of Mach numbers and altitudes to automatically identify the flutter point—the point at which the model becomes unstable.

Open-Loop Validation and Simulation

We now have all the components necessary to fully construct the open-loop version of the model (Figure 10).  Using this model, we can run simulations and determine whether we have reached a flutter condition.

aircraft_flutter_fig10_w.jpg
Figure 10. The complete open-loop system. Click on image to see enlarged view.

Wind tunnel experiments conducted on the BACT wing show flutter at a dynamic pressure of 148 PSF.  The aerodynamic coefficients referenced in this model were reported for Mach 0.77. Using that Mach number, we conduct an altitude sweep, which effectively varies the dynamic pressure, with simulations starting at 50,000 feet (a stable condition) and reduce the altitude at each successive run until we find an unstable condition.  We further refine the estimate by going back to the last stable condition and repeating the process with a smaller altitude decrement.

Within minutes, the simulations predict flutter at 42062.5 feet, which at Mach 0.77 corresponds to a dynamic pressure of 147.1 PSF—very close to the 148 PSF value obtained in the wind tunnel.  Simulations show a flutter frequency of 4.2 Hz, compared to approximately 4 Hz on the BACT wing, further validating our simulation results.

Developing a Feedback Controller

We will develop the controller in three stages.  First, we will define the feedback control scheme, which involves identifying the feedback signal and the control mechanism.  Next, we will design a compensator capable of actuating the wing's control surface so as to suppress flutter.  Finally, we will demonstrate the controller's effectiveness via closed-loop simulations.

Defining the Feedback Control Mechanism

Assuming an unstable condition, we will design a feedback control mechanism that can actuate the wing's control surface(s) so as to suppress flutter and return the wing to a stable operating condition.  The BACT wing has an upper and lower spoiler as well as a single aileron.  Our example uses the aileron as the control surface.  We build a SimMechanics model of the aileron (Figure 11), which we incorporate into the model of the wing and mount.

aircraft_flutter_fig11_w.gif
Figure 11. SimMechanics model of the aileron. Click on image to see enlarged view.

Using the Compensator Design Task in Simulink® Control Design™, we quickly develop a feedback controller to counter the effect of disturbances on the vibration of the structure (Figure 12).

aircraft_flutter_fig12_w.jpg
Figure 12. Closed-loop simulation model. Click on image to see enlarged view.

In an initial controller design, only the pitch motion is fed back into the controller.  Using the aileron to eliminate the pitching motion should also eliminate the plunging motion.   The elements of the controller subsystem are the compensator and a set of physical constraints on the actuator.  The actuator itself is not modeled.

The actuator's physical constraints are represented in a subsystem that consists of a saturation block and a rate limiter.  The block dialog parameter for this masked subsystem is shown in Figure 13.  Note that this model limits the deflection of the aileron to ±15 degrees at a rate no higher than ±300 degrees/second. 

aircraft_flutter_fig13_w.jpg
Figure 13. Physical Constraint Block Parameter dialog. Click on image to see enlarged view.

Tuning the Compensator

We specify the closed-loop response requirements between the disturbance and the Pitch Angle in the Compensator Design Task by marking the Simulink signals with the symbols  IMAGE and IMAGE. With these reference points identified, it is then a matter of identifying the block within the model that represented the controller.  The Automated Tuning tab lets us rapidly calculate an initial compensator using an LQG technique (Figure 14).  We then refine this initial compensator using root locus techniques and create a PID controller. 

aircraft_flutter_fig14_w.jpg

Figure 14. Automated Tuning Dialog in Simulink® Control Design™. Click on image to see enlarged view.

Closed-Loop Simulation

During closed-loop simulations, we use Virtual Reality Toolbox™ to visualize the motion of the wing and aileron in a three-dimensional animation (Figure 15).  It is much easier to understand the problem by visualizing the components working together than by interpreting a series of strip charts.

aircraft_flutter_fig15_w.jpg
Figure 15. Virtual reality model of the BACT wing. Click on image to see enlarged view.

To test the control loop, we run simulations using an altitude of 35,000 feet, which corresponds to a dynamic pressure of 206.5 PSF at Mach 0.77.  At this altitude, the system is well into the unstable region, as is demonstrated by the open-loop response confirming that the system is unstable at this dynamic pressure (Figure 16). In closed-loop simulations, with the controller and aileron active, the compensator effectively neutralizes the wing's motion and prevents flutter.  Figure 16 shows the pitch and plunge of the wing and the trailing edge (TE) position of the aileron.

aircraft_flutter_fig16_w.jpg
Figure 16. Simulated open- and closed-loop responses at 35,000 feet. Click on image to see enlarged view.

Benefits of Multidomain System Design in a Single Environment

The goal of this article was to illustrate an efficient methodology for modeling and simulating a highly coupled aeroservoelastic system.  Being able to model and analyze this system within a single environment proved to be a valuable element of this project.  In this one environment we were able to conduct parameter sweeps, automate the flutter detection process, rapidly change conditions, visualize the results, and communicate to other teams.  As the results demonstrate, the physical representation of the system modeled with SimMechanics produced a high-fidelity representation of the original BACT system.  Plunge and pitch frequencies, as well as the flutter prediction, closely matched experimental results.  Rapidly moving from an open-loop analysis to the design of a closed-loop regulatory system demonstrated the practicality of this approach. 

The models and examples used in this article are available for download.

Published 2007

References

  • Martin Waszak, "Modeling the Benchmark Active Control Technology Wind-Tunnel Model for Application to Flutter Suppression," AIAA Paper No. 96-1011.

View Articles for Related Capabilities

View Articles for Related Industries